Solidworks Projects
During the course in Solidworks at UCONN I learned how to design 3D models and combine them into assemblies. Then we worked on final drawings and the bill of materials and item lists. More recently I modeled a tank to practice surface modeling.


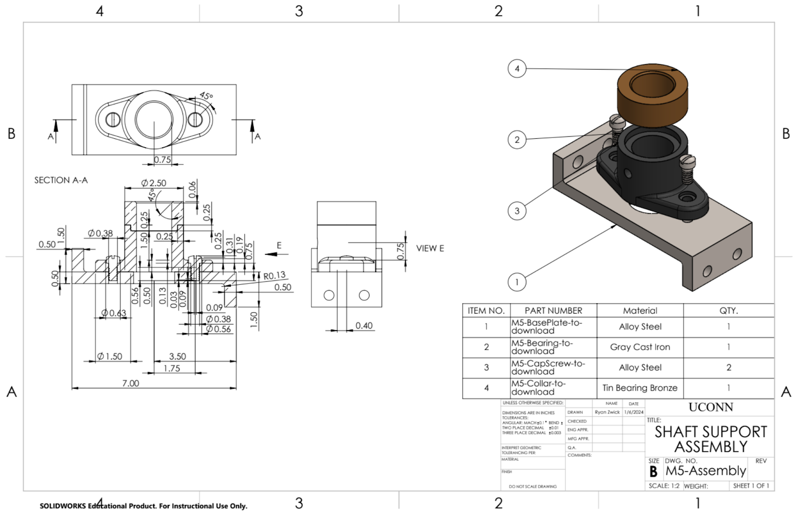
Top left: Use of assemblies and section views to model a shaft support assembly.
Top right: Use of the extruded steel cross section and then the bill of materials.


Top left: Design of a plastic knob and then the creation of the mold to produce it.
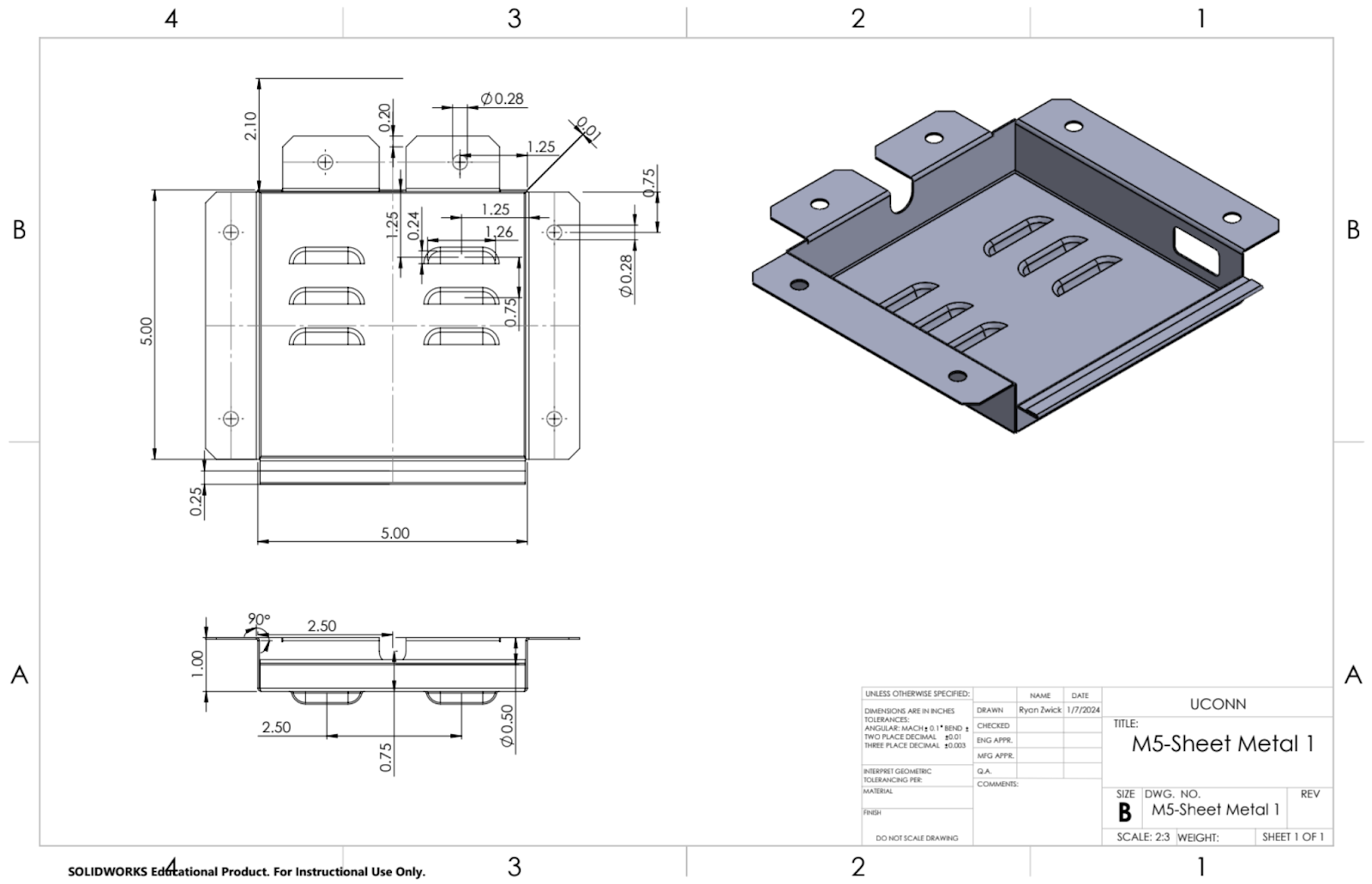
Top right: Use of the sheet metal workspace to model an air duct vent.



Reviewing solidworks surface modeling after the class I decided to challenge myself with modeling a storm water tank currently available in the marketplace.